一、目的:掌握極軸、對象捕捉、對象追蹤來實現視圖間長對正、高平齊。
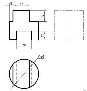
二、內容:繪制如圖所示的立體三視圖。

三、重難點提示:
1 .夾點編輯、極軸追蹤的操作。
夾點編輯:首先選擇被編輯對象,出現藍色句炳,左鍵點擊其中一藍色句炳,使藍色句炳變紅,可進行拉伸、移動、旋轉、鏡像操作。
2.對于三視圖應多采用對象追蹤來繪制,畫長對正、高平齊、寬相等很容易且簡單,少用偏移命令,多用直線、矩形和移動命令。
四、步驟:
1 .設置繪圖環境
( 1 )建立新文件:運行 中望CAD 軟件,設置繪圖區域: A4 ( 297 × 210 )。
( 2 )設置圖層(包括線型、顏色、線寬)
層名 顏色 線型 線寬
粗實線 白色 實線 (CONTINUOUS) 0.5mm
細實線 白色 實線 (CONTINUOUS) 0.25mm
中心線 紅色 點畫線 (CENTER) 0.25mm
虛線 紫色 虛線( DASHED ) 0.25mm
單擊“格式”→“線型”→“線型管理器”的全局比例因子設為 0.5 。
2 .布置視圖,完成完整圓柱體的三視圖
(1)按下狀態欄上的“極軸”、“對象捕捉”、“對象追蹤”按鈕。
(2)鼠標右擊狀態欄中“極軸”按鈕,選“設置…”選項,在極軸追蹤角設置里選擇“ 45 °”,在“對象捕捉追蹤設置”里選擇“沿所有極軸角設置追蹤”。
(3)調用“直線”、“圓”、“復制對象”命令并配合對象捕捉追蹤繪制完整圓柱體的三視圖。如圖 2-1 、 2-2 。
3.繪制圓柱體上部的缺口和下部的開槽。
關鍵操作:
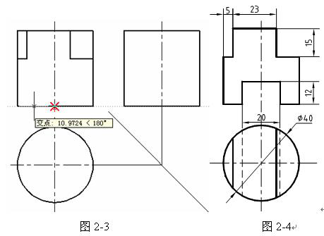
調用直線命令,捕捉交點(不要單擊左鍵),向左移動鼠標輸入距離(10)后,回車。如圖2-3。利用快速裁命令(Trim)即輸入“TR”回車二次,修剪圖形。如圖2-4。

4 .完成左視圖
關鍵操作:
單擊“直線”圖標,從俯視圖上直線與圓的交點出發,繪制輔助線與 45 °線相交,根據主視圖上切口和槽的深度,捕捉追蹤,實現高平齊,畫出切口與槽的左視圖。如圖 2-5 、 2-6 。
利用“擦除”命令,刪除多余的輔助線,保存文件為“立體三視圖 .dwg ”。

推薦閱讀:CAD培訓
· 先鋒匯聚|8月27日-28日廣州,邀您共赴工業軟件國際盛會2025-08-14
· 中望軟件數智化轉型峰會廈門站成功舉辦,“CAD+”戰略賦能福建工業可持續創新2025-07-31
· 中望軟件西安峰會圓滿召開,“數智賦能”助推西部工業轉型升級2025-07-02
· 中望軟件杭州峰會成功舉辦,“CAD+”賦能浙江智造縱深發展2025-06-25
·中望3D 2026全球發布:開啟設計仿真制造協同一體化時代2025-06-13
·中望軟件攜手鴻蒙、小米共建國產大生態,引領工業設計新時代2025-06-01
·中望軟件2025年度產品發布會圓滿舉行:以“CAD+”推動工業可持續創新2025-05-26
·中望CAD攜手鴻蒙電腦,打造“多端+全流程”設計行業全場景方案2025-05-13
·玩趣3D:如何應用中望3D,快速設計基站天線傳動螺桿?2022-02-10
·趣玩3D:使用中望3D設計車頂帳篷,為戶外休閑增添新裝備2021-11-25
·現代與歷史的碰撞:阿根廷學生應用中望3D,技術重現達·芬奇“飛碟”坦克原型2021-09-26
·我的珠寶人生:西班牙設計師用中望3D設計華美珠寶2021-09-26
·9個小妙招,切換至中望CAD竟可以如此順暢快速 2021-09-06
·原來插頭是這樣設計的,看完你學會了嗎?2021-09-06
·玩趣3D:如何巧用中望3D 2022新功能,設計專屬相機?2021-08-10
·如何使用中望3D 2022的CAM方案加工塑膠模具2021-06-24
·CAD怎么表示配電箱2016-02-24
·CAD管理外部參照操作2017-10-26
·CAD怎么把圖紙保存為PDF格式2023-10-19
·CAD如何設置標注繪制邊框2020-05-18
·CAD多線之間的寬度及三條多線的設置方法2018-09-21
·CAD中如何使用格式刷命令2020-08-24
·CAD中如何把一條直線從某點切斷2018-05-16
·CAD繪制一個簡單的花瓶平面圖的技巧2018-07-10





