使用CAD需要我們了解基本的功能然后比較好的去練習相關的繪制,才能更好的提升自己CAD的使用能力。
1.我們打開中望CAD2018

2.然后新建我們的文件,

3.在開始正式繪圖之前,我們需要做好一些準備工作,先要建立好圖層,粗實線,中心線,虛線等,然后根據圖紙確定線的粗細。

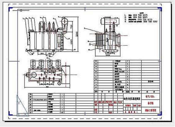
4.我所繪制的是《油浸變壓器裝配圖》,圖紙分為三個部分,左視圖、主視圖和俯視圖。我先畫的是油浸式變壓器俯視圖。

5. 我發現它的散熱片由四個同樣的部分組成于是我使用了外部塊(按W進入構建塊的模式,選擇基準點和對象,修改保存文件名字即可。)來構造。
6. 同樣主視圖和左視圖也有同樣的結構我也使用了外部塊來畫。
構建好外部塊以后選擇插入中的塊來插入。
7.其他部分則由圓、直線、倒角的鏡像、平移、修剪等工具來實現,不懂的地方通過詢問同學和百度來查找,最終畫好各視圖后便如下圖。

8.書寫部件技術參數和保存即可(如下圖)

推薦閱讀:CAD的三維立體剖切圖的繪制方法
推薦閱讀:CAD手機版
· 先鋒匯聚|8月27日-28日廣州,邀您共赴工業軟件國際盛會2025-08-14
· 中望軟件數智化轉型峰會廈門站成功舉辦,“CAD+”戰略賦能福建工業可持續創新2025-07-31
· 中望軟件西安峰會圓滿召開,“數智賦能”助推西部工業轉型升級2025-07-02
· 中望軟件杭州峰會成功舉辦,“CAD+”賦能浙江智造縱深發展2025-06-25
·中望3D 2026全球發布:開啟設計仿真制造協同一體化時代2025-06-13
·中望軟件攜手鴻蒙、小米共建國產大生態,引領工業設計新時代2025-06-01
·中望軟件2025年度產品發布會圓滿舉行:以“CAD+”推動工業可持續創新2025-05-26
·中望CAD攜手鴻蒙電腦,打造“多端+全流程”設計行業全場景方案2025-05-13
·玩趣3D:如何應用中望3D,快速設計基站天線傳動螺桿?2022-02-10
·趣玩3D:使用中望3D設計車頂帳篷,為戶外休閑增添新裝備2021-11-25
·現代與歷史的碰撞:阿根廷學生應用中望3D,技術重現達·芬奇“飛碟”坦克原型2021-09-26
·我的珠寶人生:西班牙設計師用中望3D設計華美珠寶2021-09-26
·9個小妙招,切換至中望CAD竟可以如此順暢快速 2021-09-06
·原來插頭是這樣設計的,看完你學會了嗎?2021-09-06
·玩趣3D:如何巧用中望3D 2022新功能,設計專屬相機?2021-08-10
·如何使用中望3D 2022的CAM方案加工塑膠模具2021-06-24
·為什么CAD圖塊復制粘貼到另一張圖時會發生變化2018-05-07
·CAD如何刪除頑固圖層2025-04-03
·CAD如何創建球體 2018-03-15
·CAD如何自定義增加注釋比例?2022-06-23
·CAD工具選項板的介紹以及新建方法2017-11-22
·CAD為什么選中圖形后出現坐標圖案2025-06-23
·CAD怎么樣自定義打印紙張大小?2024-07-01
·CAD如何輸出PDF多頁文件2025-05-29





