卡套式管接頭是適用于油、水、氣等非腐蝕性或腐蝕性介質的密封管接頭,與管道連接后,具有連接牢靠、密封性能好等特點,在煉油、化工、輕工、國防、航空、船舶等系統中被廣泛采用,這種卡套式管接頭也適用于各種機械工程、機床設備等液壓傳動管路。本次三維CAD設計實例教程中,小編將向大家演示如何使用中望3D來設計圖1中這款常見的卡套式管接頭。

圖1 卡套式管接頭
我們將分為草圖繪制、旋轉與切除這兩大步驟來完成設計:
第一步:繪制草圖。
1、草圖繪制是本次建模的基礎,我們先新建零件,單擊“新建草圖”按鈕,選擇“XY”平面進入草圖繪制;
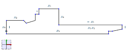
2、如圖2所示,繪制一條水平線和一條豎直線,令兩者都過草圖圓點;

圖2 繪制水平線和豎直線
3、多次運用草圖工具欄中的“偏移”工具,將豎線向右在16mm、18mm、29mm、64mm處偏移出多條直線,將橫線向上在6mm、11mm、13.5mm、17mm、20mm處偏移出多條直線,效果如圖3所示;

圖3 繪制多條偏移線
4、單擊草圖工具欄中“劃線修剪”工具,用鼠標滑過要修剪的直線部分,得到如圖4所示輪廓;

圖4 修剪后輪廓線圖
5、單擊約束工具欄中“自動約束”,對草圖進行約束,如圖5所示;

圖5 自動約束
6、單擊草圖工具欄中的“直線”按鈕,繪制如圖6、圖7輪廓并約束尺寸;

圖6 繪制退刀曹處直線

圖7 繪制接口處直線
7、單擊草圖工具欄中“劃線修剪”按鈕,將圖形裁剪到如圖8樣式;

圖8 修剪圖紙后的效果
8、單擊草圖工具欄中“圓角”按鈕,設置圓角為“1.2mm”,如圖9所示;

圖9 繪制圓角
9、單擊草圖工具欄中“倒角”按鈕,設置倒角大小為“1.5”,在圖10位置進行處理;

圖10繪制倒角
第二步:旋轉與切除。
1、單擊造型工具欄“旋轉”按鈕,選擇X軸為旋轉軸,旋轉角度設置為360°,旋轉出管接頭的基本形狀,如圖11所示;

圖11 旋轉操作效果
2、在如圖12所示位置繪制草圖正六邊形,然后進行拉伸布爾運算,選擇交運算,如圖13設置;

圖12 繪制正六邊形

圖13 拉伸布爾運算操作
3、選擇“XZ”平面為基準面繪制草圖,角為115°,如圖14,單擊旋轉按鈕,選擇X軸為旋轉中線,進行360°旋轉切除操作,如圖15所示;

圖14 旋轉切除線草圖

圖15 旋轉切除操作
4、通過旋轉、拉伸和簡單的切除操作即可完成創建管接頭,圖16則是最后的設計結果。

圖16 管接頭完成模型
在本設計案例中,我們主要運用到了圓角、倒角、偏移、裁剪實體等基礎功能,再加上旋轉和切除功能的綜合運用,即可快速地設計出卡套式管接頭。其實,本案例中所運用到的相關功能,如果能熟練掌握,熟悉運用,對設計師進行其他產品設計也是非常有幫助的,中望3D是專業的三維CAD/CAM設計軟件,具有易學易用、操作便捷的特點,能支持設計師高效地完成各項設計任務。
馬上下載中望3D 2016版,享受高效靈活的設計體驗:http://www.zw3d.com.cn/product-58-1.html
Z3是什么格式文件:http://www.zw3d.com.cn/blog/201503131763.html
更多詳情,歡迎訪問中望3D官方網站:www.zw3d.com.cn
· 破解精密連接難題!ZWORLD中望全球生態大會連接器行業論壇即將開啟2025-08-18
· 先鋒匯聚|8月27日-28日廣州,邀您共赴工業軟件國際盛會2025-08-14
· 中望軟件數智化轉型峰會廈門站成功舉辦,“CAD+”戰略賦能福建工業可持續創新2025-07-31
· 中望軟件西安峰會圓滿召開,“數智賦能”助推西部工業轉型升級2025-07-02
· 中望軟件杭州峰會成功舉辦,“CAD+”賦能浙江智造縱深發展2025-06-25
·中望3D 2026全球發布:開啟設計仿真制造協同一體化時代2025-06-13
·中望軟件攜手鴻蒙、小米共建國產大生態,引領工業設計新時代2025-06-01
·中望軟件2025年度產品發布會圓滿舉行:以“CAD+”推動工業可持續創新2025-05-26
·玩趣3D:如何應用中望3D,快速設計基站天線傳動螺桿?2022-02-10
·趣玩3D:使用中望3D設計車頂帳篷,為戶外休閑增添新裝備2021-11-25
·現代與歷史的碰撞:阿根廷學生應用中望3D,技術重現達·芬奇“飛碟”坦克原型2021-09-26
·我的珠寶人生:西班牙設計師用中望3D設計華美珠寶2021-09-26
·9個小妙招,切換至中望CAD竟可以如此順暢快速 2021-09-06
·原來插頭是這樣設計的,看完你學會了嗎?2021-09-06
·玩趣3D:如何巧用中望3D 2022新功能,設計專屬相機?2021-08-10
·如何使用中望3D 2022的CAM方案加工塑膠模具2021-06-24
·CAD怎么關閉坐標顯示2023-08-25
·CAD如何使用拖動小手工具?2022-06-15
·?CAD中如何實現圖像旋轉?2022-04-06
·CAD設置偏移尺寸的教程2019-01-07
·如何在CAD繪制熱啟動符號2022-02-14
·CAD中圖層的標注樣式、字體以及圖形單位怎么永久保存2018-11-27
·CAD中如何繪制指定長寬的矩形?2022-06-08
·CAD對象捕捉的快捷鍵是什么?如何進行設置2023-05-19
