一般情況下,有軸承的地方就要有支撐點,軸承的內支撐點是軸,外支撐就是常說的軸承座。軸承座的結構較為復雜,但主體仍為方塊結構,所以在設計建模的過程中,可以通過三維CAD設計軟件的拉伸、拉伸切除、倒角等功能來完成整個軸承座的建模設計。
本次小編將向大家介紹中望3D是如何快速完成軸承座的建模設計的。如圖1所示,這是我們接下來即將進行的基本建模思路。首先拉伸出模型主體,然后通過“拉伸切除”和“倒角”等操作來完成模型的創建。此外,在創建本實例草圖的過程中也會用到鏡像和陣列實體等功能。

圖1 繪制軸承座的主要流程
下面,我們一起來看看具體的操作步驟:
第一步:繪制草圖并拉伸
1、新建一“零件”類型的文件后,單擊草圖按鈕,選擇XY平面,進入草圖繪制。
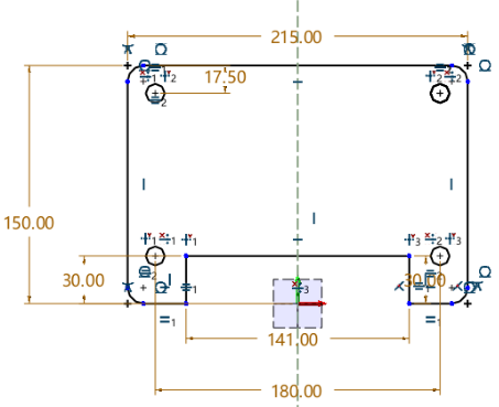
2、單擊繪圖按鈕,繪制如圖2所示繪制中心線和線框。單擊草圖工具欄中圓角按鈕,在圖3所示位置添加半徑為10mm的圓角。

圖2 繪制軸承座基本線框

圖3 軸承座基礎線框倒圓角
3、單擊草圖工具欄中圓按鈕,在與下部缺口水平線的位置繪制一個直徑為12mm的圓,在繪制好的圓的圓心豎直方向,且離頂部線17.5mm處繪制一個直徑為12mm的圓。單擊草圖工具欄鏡像按鈕,選擇繪制好的圓,再選擇中心線為鏡像線,鏡像出兩個圓,如圖4所示。

圖4 繪制鏡像圓操作
4、單擊草圖工具欄中的陣列按鈕,選擇上方兩個圓為基體,方向向下,數目為2個,距離為40mm。如圖5所示。

圖5 執行陣列操作
5、退出草圖,點擊造型工具欄拉伸按鈕,選擇所繪制的草圖拉伸一個厚度為30mm的實體,如圖6所示。

圖6 基體拉伸效果
6、在實體底部平面繪制如圖7a所示草圖,單擊拉伸按鈕,拉伸出一個厚度為75mm的實體,如圖7b所示。

第二步:拉伸切除和圓角處理
1、單擊草圖按鈕,選擇實體背面為平面,選擇預制草圖中“槽”,繪制如圖8a所示兩個槽(可先繪制出一個槽然后鏡像出另外一個槽),然后進行完全貫通的拉伸切除操作,如圖8b所示。

2、在如圖9所示的平面繪制一個直徑為140mm的圓(以右側實體圓弧為圓心),并進行到指定面的拉伸切除操作。

圖9 圓拉伸切除操作
3、在豎向拉伸體的兩個面上分別繪制草圖(與實體圓弧同圓心、同大小的圓),向兩側實行拉伸操作,拉伸距離為5mm,如圖10a所示,然后選擇拉伸出的實體的邊線,執行倒角距離為5mm的“倒角”操作,如圖10b所示。

4、在實體底部平面繪制一個直徑為18mm的圓,并向上拉伸146mm,創建實體,再單擊造型工具欄中圓角按鈕,設置圓角角度為1,如圖11所示。

圖11 創建頂部“油孔”臺體的操作
第三步:孔洞處理
1、在豎向實體繪制圓,執行拉伸切除操作,豎直圓的直徑為63mm,拉伸切除深度為完全貫穿,如圖12所示。

圖12 拉伸切除操作
2、單擊造型工具欄孔按鈕,選擇頂部凸臺圓心同心,繪制一個螺紋孔,最終完成整個模型創建,如圖13所示。

圖13 創建頂部油孔后完整模型
經過了上述的操作,我們即可完成軸承座的快速建模操作。軸承座的型號根據所搭配的軸承不同,或者根據企業的收錄情況不同,都會多種類、多樣式的軸承,通過中望3D的建模操作,工程師即可快速地完成所需的軸承座的設計,并把常用的型號通過中望3D進行歸類入檔整理,方便后續的二次利用,做到高效、專業。
馬上下載中望3D 2016版,享受高效靈活的設計體驗:http://www.zw3d.com.cn/product-58-1.html
Z3是什么格式文件:http://www.zw3d.com.cn/blog/201503131763.html
更多詳情,歡迎訪問中望3D官方網站:www.zw3d.com.cn
· 破解精密連接難題!ZWORLD中望全球生態大會連接器行業論壇即將開啟2025-08-18
· 先鋒匯聚|8月27日-28日廣州,邀您共赴工業軟件國際盛會2025-08-14
· 中望軟件數智化轉型峰會廈門站成功舉辦,“CAD+”戰略賦能福建工業可持續創新2025-07-31
· 中望軟件西安峰會圓滿召開,“數智賦能”助推西部工業轉型升級2025-07-02
· 中望軟件杭州峰會成功舉辦,“CAD+”賦能浙江智造縱深發展2025-06-25
·中望3D 2026全球發布:開啟設計仿真制造協同一體化時代2025-06-13
·中望軟件攜手鴻蒙、小米共建國產大生態,引領工業設計新時代2025-06-01
·中望軟件2025年度產品發布會圓滿舉行:以“CAD+”推動工業可持續創新2025-05-26
·玩趣3D:如何應用中望3D,快速設計基站天線傳動螺桿?2022-02-10
·趣玩3D:使用中望3D設計車頂帳篷,為戶外休閑增添新裝備2021-11-25
·現代與歷史的碰撞:阿根廷學生應用中望3D,技術重現達·芬奇“飛碟”坦克原型2021-09-26
·我的珠寶人生:西班牙設計師用中望3D設計華美珠寶2021-09-26
·9個小妙招,切換至中望CAD竟可以如此順暢快速 2021-09-06
·原來插頭是這樣設計的,看完你學會了嗎?2021-09-06
·玩趣3D:如何巧用中望3D 2022新功能,設計專屬相機?2021-08-10
·如何使用中望3D 2022的CAM方案加工塑膠模具2021-06-24
·CAD中參照旋轉的方法2017-09-07
·CAD線型比例變了怎么辦2024-11-27
·CAD快速刪除重復對象的方法2021-02-02
·CAD標注軸測圖方法2016-09-19
·CAD如何打印圖紙2023-09-19
·CAD圖形界限怎么取消2015-10-21
·設置圖層顏色、線型與線寬2018-03-12
·CAD教程之用中望3D繪制連接件教程2019-03-27
